GTYQ-HK301(S)工业及商业用途点型可燃气体探测器,适用于各种室外和室内环境,如石油化工、燃气、冶金、制药、食品、市政管网、污水处理、化工制造、家居装修、农业生产等。
GTYQ-HK301(S)采用加厚防爆铝合金(或不锈钢)外壳,带有两个M20X1.5的电气接口,自带一组报警继电器输出和一组声光输出。可通过总线方式与适配的气体报警控制器连接组网监控。



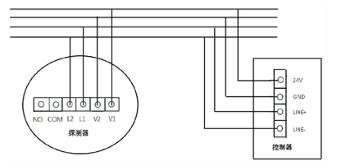
● V1、V2为24VDC电源输入接口
● L1、L2为总线接口
● SG+、SG-为声光接口,探测器正常状态时端子上电压为0V,探测器报警时端子上电压为24V
● COM、NO为继电器接口,COM为公共点,NO为常开点,探测器正常工作时继电器不吸合,探测器报警时继电器吸合。
注意:探测器端V1、V2不分正负极,可反接,此端子无绝缘要求。
探测器端L1、L2不分正负极,可反接,此端子无绝缘要求。
探测器SG+、SG-可接最大100mA的声光警报器。
● 外壳必要时作接地处理

