
JTW-LD-HK8200/85缆式线型感温火灾探测器(以下简称探测器)是一种不可恢复式缆式线型感温火灾探测器产品,该探测器以中华人民共和国国家标准GB16280-2014《线型感温火灾探测器》为其主要设计依据,具有定温火灾探测报警特性。该探测器由感温电缆、信号处理单元、终端单元组成,采用继电器无源触点方式输出,可方便地与不同厂家的火灾报警控制器配套使用,广泛应用于冶金、电力、石化等工业场合的火灾早期探测。


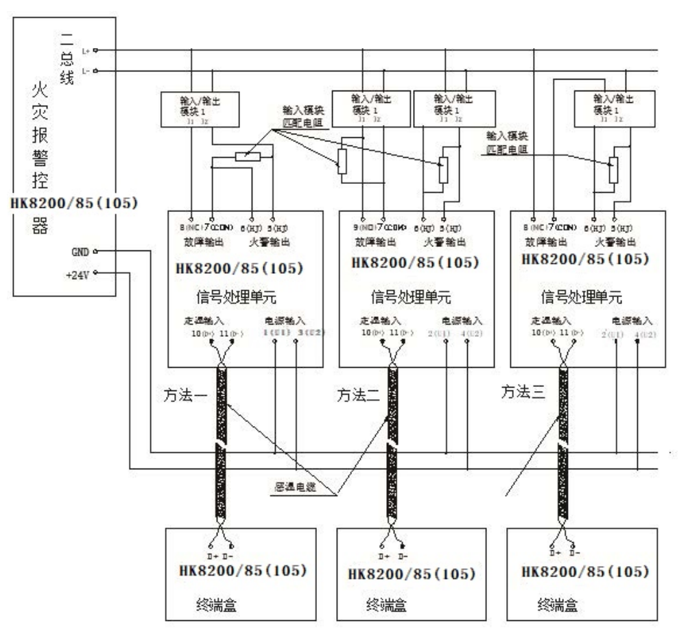
与火灾报警控制系统配套使用时,可通过其输入模块,将缆式线型感温火灾探测器的报警信号接入系统的接线示意图。
